Einschraubzylinder hydraulisch, Form:A einfach wirkend, DK=12, Hub=10, gebohrte Kanäle Stahl - K1861.1210230711
67,01 €*
Produktnummer:
7769438
Einschraubzylinder hydraulisch, Form:A einfach wirkend, DK=12, Hub=10, gebohrte Kanäle Stahl - K1861.1210230711
EAN-Nr.:
4059245656790
Zur Produktbeschreibung
67,01 €*
% 68,38 €* (2% gespart)Produktinformationen "Einschraubzylinder hydraulisch, Form:A einfach wirkend, DK=12, Hub=10, gebohrte Kanäle Stahl - K1861.1210230711"
Die einfach wirkenden Einschraubzylinder mit Federrückstellung zeichnen sich durch ihre kompakte Bauweise aus und werden deswegen oft als Spannzylinder eingesetzt. Sie können in sehr engen Abständen zueinander positioniert werden. Die Einschraubzylinder können wegen der internen Hubbegrenzung ohne Gegenspannfläche betätigt werden. Die standardmäßig verbauten Doppelabstreifer verhindern eine dynamische Leckage und erhöhen somit die Lebensdauer der Einschraubzylinder. Die Rücksetzung des Kolbens in die Grundstellung erfolgt mit einer integrierten Feder.
Werkstoff:
Gehäuse und Kolben Stahl.
Dichtung NBR.
Ausführung:
Gehäuse brüniert.
Kolben gehärtet.
Hinweis:
Die Einschraubzylinder sind sowohl im gespannten als auch im entspannten Zustand maximal belastbar.
Um Beschädigungen an den Dichtungen bei der Montage zu vermeiden, ist darauf zu achten, dass die Einführschrägen sowie die Querbohrungen für die Ölversorgung gut abgerundet sind.
Ein Dichtring gegen den Grund der Einschraubbohrung dichtet den Einschraubzylinder ab.
Wegen der Plunger-Bauweise ist keine Belüftung des Stangenraumes notwendig.
Die Einschraubzylinder sollten vor aggressiven Schneid- und Kühlstoffen geschützt werden.
Druckstücke für Form B sind im Lieferumfang nicht enthalten.
Sicherheitsanweisungen beachten.
Betätigungsweise:
Gebohrte Kanäle.
Montage:
Siehe Einbaukontur.
Vorteile:
- Integrierter Metallabstreifer.
- Geringe Einbaumaße.
- Einsetzbar ohne Gegenspannfläche.
- Belastungen in eingefahrener Stellung möglich.
- Leitungslose Druckversorgung.
Technische Daten:
Max. Betriebsdruck: 400 bar.
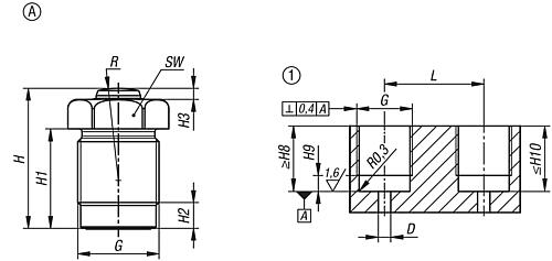
Zeichnungshinweis:
1) Einbaukontur
Angaben gemäß Produktsicherheitsverordnung ((EU) 2023/998):
Heinrich Kipp Werk GmbH & Co.KG, Heubergstr. 2, 72172 Sulz am Neckar, Deutschland, E-Mail: info@kipp.com
Werkstoff:
Gehäuse und Kolben Stahl.
Dichtung NBR.
Ausführung:
Gehäuse brüniert.
Kolben gehärtet.
Hinweis:
Die Einschraubzylinder sind sowohl im gespannten als auch im entspannten Zustand maximal belastbar.
Um Beschädigungen an den Dichtungen bei der Montage zu vermeiden, ist darauf zu achten, dass die Einführschrägen sowie die Querbohrungen für die Ölversorgung gut abgerundet sind.
Ein Dichtring gegen den Grund der Einschraubbohrung dichtet den Einschraubzylinder ab.
Wegen der Plunger-Bauweise ist keine Belüftung des Stangenraumes notwendig.
Die Einschraubzylinder sollten vor aggressiven Schneid- und Kühlstoffen geschützt werden.
Druckstücke für Form B sind im Lieferumfang nicht enthalten.
Sicherheitsanweisungen beachten.
Betätigungsweise:
Gebohrte Kanäle.
Montage:
Siehe Einbaukontur.
Vorteile:
- Integrierter Metallabstreifer.
- Geringe Einbaumaße.
- Einsetzbar ohne Gegenspannfläche.
- Belastungen in eingefahrener Stellung möglich.
- Leitungslose Druckversorgung.
Technische Daten:
Max. Betriebsdruck: 400 bar.
Zeichnungshinweis:
1) Einbaukontur
Angaben gemäß Produktsicherheitsverordnung ((EU) 2023/998):
Heinrich Kipp Werk GmbH & Co.KG, Heubergstr. 2, 72172 Sulz am Neckar, Deutschland, E-Mail: info@kipp.com
Eigenschaften
| Anschlussart: | gebohrte Kanäle |
|---|---|
| D: | 6 |
| L: | 31 |
| SW: | 24 |
| Material Grundkörper: | Stahl |
| Ausführung 1: | hydraulisch |
| Form: | A |
| Oberfläche Grundkörper: | brüniert |
| RoHS: | konform |
| Anzieh- drehmoment max. Nm: | 40 |
| Form-Typ: | einfach wirkend |
| H1: | 27 |
| H2: | 7 |
| H3: | 3 |
| H8: | 15 |
| H: | 38 |
| H9: | 6 |
| G: | M22x1,5 |
| Feder-Rück- holkraft min. (N): | 30 |
| Kolben- durchmesser: | 12 |
| Hub: | 10 |
| H10: | 26,5 |
| Ölbedarf / 10 mm Hub (cm³): | 1,13 |
| R: | 25 |
| Spannkraft bei 100 bar (kN): | 1,1 |
| Spannkraft bei 400 bar (kN): | 4,5 |
Anmelden
