• HUG Technik und Sicherheit - Qualität seit 1938
  • Versandkostenfrei ab 75€
  • Taggleicher Versand bei Bestellung bis 16h
  • über 200.000 Artikel ab Lager lieferbar

HTD-Zahnriemenscheibe 5M 15 mm breit, 60 Zähne für zyl. Bohrung; Zahnriemenrad HTD 5M 15 60

Produktinformationen "HTD-Zahnriemenscheibe 5M 15 mm breit, 60 Zähne für zyl. Bohrung; Zahnriemenrad HTD 5M 15 60"

HTD Zahnriemenrad für zylindrische Bohrung
5M 15 mm 60 Zähne

Sollten Sie eine passende Fertigbohrung für Ihre Welle benötigen ==> hier klicken!


 

 

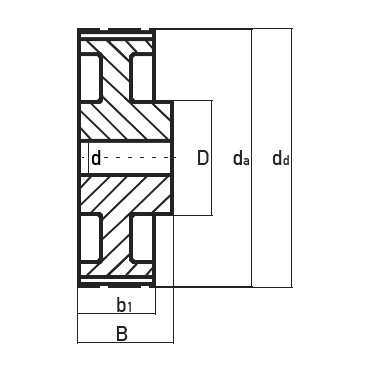
Bemaßung lt. Zeichnung

Profil5M
Riemenbreite (mm)     15
Anzahl der Zähne60
MaterialAluminium    
dd (mm)95,49
da (mm)94,35
DB (mm)
b1 (mm)20,5
B (mm)30
D (mm)45,0
Vorbohrung (mm) d8
Fertigbohrung (mm) dmax    25
Gewicht (≈KG)0,305

 


 
Eigenschaften
Profilkurzzeichen: 5M
Innendurchmesser (mm): 25 mm
Außendurchmesser (mm): 94,35 mm
Riemenbreite (mm): 15 mm
Zahnteilung: 5
Anzahl Zähne (Stück): 60 Stück
Richtdurchmesser (mm): 95,49 mm
Werkstoff/Material: Aluminium
Type: 6/6W
Fertigbohrung (mm) d max: 25

0 von 0 Bewertungen

Geben Sie eine Bewertung ab!

Teilen Sie Ihre Erfahrungen mit dem Produkt mit anderen Kunden.


Fertigbohrung - bitte wählen Sie
91 Varianten verfügbar
Fertigbohrung - bitte wählen Sie Passende Bohrungsgröße nicht dabei?Suchen Sie eine Abmessung, die wir hier nicht anbieten oder haben Sie Fragen? Sprechen Sie uns gerne an!Thomas Klosik +49 (0)871 97410-60 oder technik@hug-technik.de

Ab 17,02 €*